槟榔果蜡—SO2保鲜技术研究

发布日期:2017/08/28  来源:中国气协  本站有 人浏览 分享到:
槟榔果蜡—SO2保鲜技术研究
张姣姣,李喜宏,郝晓磊,刘佳,李敏,张文涛,杜雅荣
(天津科技大学食品工程与生物技术学院)

《食品科技》2015年11期
       摘要:以果蜡涂被与SO2熏蒸联合应用于鲜食槟榔保鲜,研究不同处理对贮藏期内鲜食槟榔品质的影响。结果表明:与对照组比,果蜡—SO2联合应用能显著降低槟榔腐烂率,抑制槟榔碱和Vc含量下降,使呼吸强度维持在较低水平。结果表明:贮藏期至60 d时,果蜡—SO2处理鲜食槟榔的腐烂率为15.4%,槟榔碱含量为0.37%,Vc含量为3.9 mg/g,呼吸速率为536.2 mg/kg·h,各项指标均显著优于其他处理。同时,SO2残留量为6.7 mg/kg,低于FDA安全标准(10 mg/kg)。为鲜食槟榔保鲜技术的发展提供一种新思路。
      槟榔(Areca catechu)是棕搁科植物槟榔的种子,又名榔玉、宾门、仁频等。槟榔是海南人们生活中不可或缺的食品,特别是海南省少数民族地区长期以来有嚼食槟榔的习惯,许多群众都把它当作咀嚼用嗜的好品。鲜食槟榔配以蒌叶及贝壳粉嚼食尤其受到广大消费者的钟爱,但是由于槟榔鲜果难以贮藏,鲜果仅能在槟榔产季供应,严重制约鲜食槟榔产业发展。
      槟榔属于亚热带呼吸跃变型果实,果实离开母体后呼吸速率显著上升,低温贮藏能够显著降低呼吸速率,但会导致冷害,已有研究发现槟榔鲜果适宜贮藏温度为13℃。但是,在普通贮藏条件下,霉菌常易侵害鲜果,造成严重的品质劣变,失去商品价值。国外学者研究大部分仅局限于对槟榔成分提取、抗菌活性及槟榔功能性物质的研究上,对槟榔保鲜技术深入研究的文献少之又少。
      果品的采后打蜡处理是现代化果品商品化处理的重要环节,打蜡可以堵塞果品表面的气孔和皮孔,降低果品的水分损失,具有气调作用,限制果蔬产品与外界O2和CO2的气体交换,从而形成微型的自发气调环境。SO2熏蒸是常用的果蔬防霉保鲜方式,SO2具有还原作用,可以对有氧化性的物质产生抑制作用。SO2熏蒸用于鲜食葡萄保鲜方面的技术已经很成熟,在龙眼、荔枝等热带水果方面的保鲜也有报道。本实验旨在研究温度、气体、防腐等综合配套技术,研究发现槟榔鲜果表面涂被果蜡及SO2熏蒸能够解决槟榔保鲜过程中出现代谢异常及霉菌侵害等问题,为鲜食槟榔商业化贮藏提供参考依据。
      1材料与方法
      1.1材料与试剂
      供试槟榔于2014年11月4日采自海南,十成熟,单果质量25~30 g。空运直接入冷库控温3-4℃快速预冷或变温处理,挑选无病虫害、无机械损伤和大小、色泽相对一致的果实备用。
      CFW型果蜡:中山市先禾生物科技有限公司;SO2:自制;氢溴酸槟榔碱:广州市富迩来化工有限公司;其余所用试剂均为分析纯。
      1.2仪器与设备
      GXH-3051 H红外果蔬呼吸测定仪:北京均方理化科技研究所;电子天平:奥豪斯仪器(上海)有限公司;VARIAN356— LC高效液相色谱仪:美国瓦里安公司;果蔬SO2熏蒸防霉保鲜设备:自主研制开发。
     1.3 实验条件
     色谱柱:Diamonsil C18柱(250mm×4.6mm,5μm);流动相:0.02mol/L磷酸二氢钾(含0.3%三乙胺,H3PO4调PH3)—乙腈(99:1);检测波长:215nm;柱温:20℃,流速:0.8mL/min;进样量:5μL。
     1.4处理方法
      实验共设4个处理,处理1:果蜡浸泡30S后捞出通风晾干;处理2:至贮藏结束每隔15d以2500μL/L SO2熏蒸0.5h后脱除;处理3:果蜡浸泡30s后捞出通风晾干,至贮藏结束每隔15d以2500μL/L SO2熏蒸0.5h后脱除;处理4为对照组。每隔15d随机取样测定不同浓度处理槟榔的贮藏品质指标和SO2残留量。
      1.5检测指标及方法
      1.5.1呼吸强度
      使用GXH-3051H果蔬呼吸测定仪测定。随机去质量接近的槟榔果,重复测定3次,取平均值,计算公式为:
槟榔果蜡—SO2保鲜技术研究(图1)
      式中:Q为呼吸强度,CO2mg/kg·h;F为气体流速,mL/min;C为CO2浓度,μL/L;W为被测果蔬质量,kg;T为测定时温度,℃。
     1.5.2槟榔碱含量
     采用高效液相色谱法测定槟榔中槟榔碱含量。
     样品处理:研磨槟榔(或取用液氮封的槟榔样品)后,精密称取1g,加氨水0.4 mL,立即加乙醚50 mL超声(在25℃以下)5 min,倾出乙醚提取液后置于预置1mL磷酸液((5→1000)的旋转蒸发瓶中,再分别加乙醚30、20 mL超声2次,每次2 min,合并乙醚提取液,将旋转蒸发瓶在旋转蒸发仪上挥去乙醚(注意温度,不要超过25℃),残渣用2mL50%的乙腈溶解后,取上清液过0.45μm滤膜,备用。实测样品,结果含槟榔碱以氢溴酸槟榔碱槟榔果蜡—SO2保鲜技术研究(图2)计,为0.59%。
      1.5.3 Vc含量
      将完整的槟榔果实切分研磨,利用碘滴定法测定其中Vc含量。
      1.5.4 果实腐烂率
计算公式为:果实腐烂率(%)槟榔果蜡—SO2保鲜技术研究(图3)
       1.5.5  SO2残留
       将完整的槟榔果实切分研磨,采用蒸馏碘量法的改进法(以消耗硫代硫酸钠标准液含量计算)。
       1.6数据统计分析
      使用Excel软件处理数据,应用SAS软件作相关显著性分析。
      2结果分析
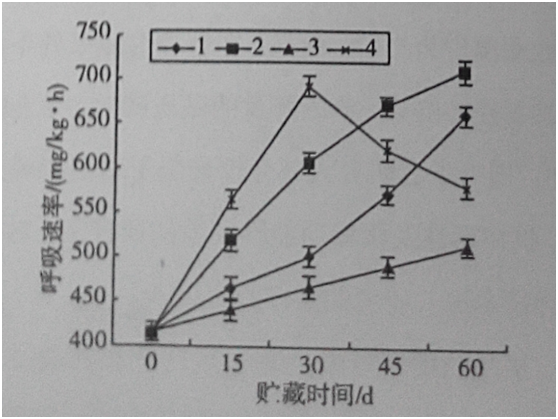
      2.1不同处理对槟榔呼吸速率的影响
槟榔果蜡—SO2保鲜技术研究(图4)
图1 不同处理对槟榔呼吸速率的影响
       呼吸强度是果实组织新陈代谢强弱的一个重要标志,是预测果蔬贮藏潜力的重要指标之一。呼吸强度越大,果实的营养物质消耗越快,果蔬衰老加速,贮藏寿命缩短,为保证良好的贮藏效果,应尽量降低呼吸强度。
       由图1可知,对照组前期呼吸速率急剧上升,一方面是因为槟榔新陈代谢加速,另一方而则是微生物作用,但第30天后,槟榔果实腐烂情况加剧,生理代谢紊乱,此时呼吸速率开始下降。处理1在前期能明显抑制槟榔的呼吸速率,但是在贮藏后期由于微生物的污染,呼吸速率增加相比前期较快。处理2在抑制槟榔呼吸方面效果不太明显,这可能是因为SO2熏蒸虽然有防霉的作用,但可能对槟榔表皮有一定的伤害从而加剧了其呼吸作用。处理3对槟榔呼吸作用的抑制最为显著,效果均优于前2组处理,使槟榔呼吸速率一直保持在较低的水平。
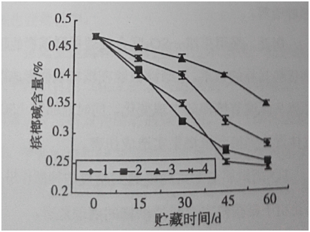
       2.2不同处理对槟榔碱含量的影响
       槟榔碱是槟榔中主要的药理保健活性成分,也是槟榔生物碱中含量最多的一种生物碱。
槟榔果蜡—SO2保鲜技术研究(图5)
图2 不同处理对槟榔碱含量的影响
       槟榔碱含量的变化直接影响槟榔的药性及其鲜食的口感。由图2可知,贮藏期间各个处理中槟榔碱含量均是逐渐降低的。贮藏前期,与对照组相比处理1和处理3均显著抑制了槟榔碱的下降,其中,处理3的抑制作用最为明显,第45天时碱含量为0.4%,相比初值0.47%下降了14.89%。贮藏后期,处理1中槟榔碱下降较快可能是由于微生物侵染加速了槟榔碱的分解。第30天时,处理2与对照组相比时反而加速了槟榔碱的分解,这可能是由于SO2伤害影响槟榔果实正常生理代谢,加剧了槟榔碱的降解。第30天后,对照组槟榔果实腐烂情况持续加重,第45天时槟榔碱含量为0.25%。
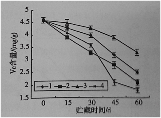
       2.3不同处理对槟榔Vc含量的影响
       Vc含量是衡量槟榔营养价值与衰老程度的一个重要指标。
槟榔果蜡—SO2保鲜技术研究(图6)
图3 不同处理对槟榔Vc含量的影响
       由图3可以看出,在贮藏过程中各处理中Vc含量均呈下降趋势,这是由于在贮藏过程中随着呼吸作用及微生物作用,Vc被分解造成的。贮藏前期,处理1中Vc含量下降较缓慢,30 d后由于其抑菌效果逐渐丧失,Vc含量下降速度加快。处理2由于SO2伤害,前期Vc含最下降速率大于对照组,第30天后,随着霉菌的生长,对照组Vc含量急剧下降,第60天时,对照组Vc含量由原来的4.6 mg/g下降到1.8 mg/g。相比其他2个处理,处理3较明显地抑制了Vc含最的下降,第45天时,Vc含量为3.9mg/g,相比初值下降了15.21%。
       2.4不同处理对槟榔腐烂率的影响
      从图4可以看出,随着贮藏时间的延长,槟榔的腐烂率逐渐增大,第15天时,对照组的腐烂率已达17.4%,其后各个时期果实腐烂率明显高于对照组果实。第30天时,处理1、处理2和处理3的腐烂率分别为13.7%, 19.4%和8%,对照组腐烂率高达30.8%。处理1在前期较明显地抑制了槟榔果实的腐烂,但第30天后,腐烂率增加较快,这说明果蜡处理能在短期内降低果实的腐烂率,但仅依靠果蜡来防止腐烂还达不到长期贮藏的目的,还需要结合其他防腐处理。果蜡涂被联合SO2熏蒸处理能明显抑制槟榔贮藏时微生物的生长,降低槟榔果实的腐烂程度。
槟榔果蜡—SO2保鲜技术研究(图7)
图4不同处理对槟榔腐烂率的影响
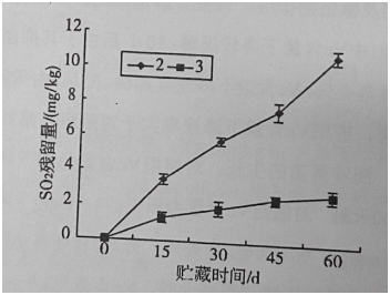
       2.5不同处理对槟榔S02残留的影响
槟榔果蜡—SO2保鲜技术研究(图8)
图5不同处理对槟榔SO2残留的影响
       从图5可以看出,随着贮藏期延长,槟榔中SO2残留量逐渐升高。贮藏第40天,处理1中SO2残留量为10.8 mg/kg,超过FDA限量标准(10 mg/kg)。处理3由于果蜡的保护作用,SO2残留量远远低于处理2。贮藏第60天时,处理3的槟榔SO2残留量为2.8mg/kg,低于FDA限量标准。
      3结论
      采用果蜡涂被对鲜槟榔进行保鲜处理,在贮藏前期,呼吸速率、腐烂率均明显低于对照组,槟榔碱、Vc等营养成分含量明显高于对照组,但是果蜡处理只能在短期内抑制微生物侵染,贮藏后期,由于霉菌侵染,呼吸速率、腐烂率加快,槟榔碱、Vc等营养成分的减少加快。因此采用果蜡涂被并不能达到长期贮藏槟榔的目的,需要结合其他防腐处理。
      SO2熏蒸在果疏上的应用历史已将近80年,已有的研究表明适当的SO2处理可抑制微生物的作用,减少腐烂,但SO2在使用过程中如果控制不好剂量也会对果实选成不良影响,如伤害细胞膜、刺激呼吸等。
      因此采用果蜡- SO2联合处理保鲜槟榔能起到优势互补的效果,果蜡涂被能在槟榔表面形成微环境从而调节槟榔的生理变化,同时能够防止SO2气体直接接触到槟榔果实造成伤害。
      SO2间歇熏蒸对霉菌能起到明显的抑制作用,防止由于霉菌侵害引起的槟榔的病理危害。
      果蜡—SO2联合处理能控制槟榔贮藏过程的温度、气体、防腐等环境从而从生理病理两方面控制槟榔,达到保鲜效果。使鲜槟榔的保存期能延长至60 d左右,弥补了槟榔采后期后的市场空白。而且利用果蜡-SO2联合处理工艺简单,安全无毒,SO2残留量远远低于FDA安全标准(10mg/kg),是一种推广价值极高的鲜槟榔保鲜方法。